首  页  公司简介  产品中心  质理体系  销售网络  联系我们
 
矩形膜盒压力表
防爆电接点压力表
磁助电接点压力表
耐震压力表
耐酸压力表
精密压力表
膜片压力表
隔膜压力表
真空表、压力真空表
不锈钢膜盒压力表
膜盒压力表
不锈钢压力表
电接点压力表
一般压力表
数字显示压力表
防强腐全塑隔膜压力表
氨用压力表
电阻远传压力表
耐腐耐高温压力表
防爆数字显示压力表
电阻远传耐震压力表
全不锈钢安全型压力表
数显电接点压力表
绝压压力表
隔离式耐震磁助电接点压力表
差动远传压力表
不锈钢差压表
耐震电接点压力表
双针压力表
氧气压力表
数显压力控制器
卫生型隔膜压力表
隔膜耐震压力表
氮气压力表
不锈钢耐震压力表
防爆数显电接点压力表
记忆型压力表
 
 
  电磁流量计的工作原理
  氧化锆氧传感器的原理及应用
  有害气体检测报警仪选用原则
  我国计量用仪器仪表的发展和现状
  国内仪器仪表行业将发生高科....
  西安交大研制出超高温冲击压....
  采用半导体精密温度传感......
  智能温度传感器的发展趋势
  简述几种气体检测传感器.....
  利用传感器技术制造智能服装
  新型传感器监控鱼群数量
   
 
联系方式
 电话(市场部):0517-86851868  
        0517-86882048
        0517-86881908
   (拓展部):0517-86882683
 传真:0517-86851869
 节假日商务联系电话:
 何经理:13655238295
 纪经理:18015196880
 邮编:211600
 网址:http://www.china-suke.com/
    http://www.sukeyb.com/
 E-mail:china-suke@163.com
     sukeyb@163.com
 地址:江苏省金湖县工业园区环城西
 路269号
 您现在的位置 > 首页 > 产品中心
     

 

智能数显差压变送控制器

一、概述
  SK-CYKZ-100智能数显差压变送控制器采用进口硅压阻传感器作为信号测量元件。结合德国数字化AD采集技术,集压力测量、显示、接点控制及变送输出、RS485通讯协议于一体的智能数字化测控产品。可直接安装于现场压力测量点或安装于试验台控制屏上,三级密码(用户权限、工程师权限、生产商权限)更便于现场管理,既可用按键现场设定小数点位数、设备号、滤波系数(防止数值跳动)、小信号切除、阻尼、波特选择、测量上下线值、变送输出量程、变送器输出类型选择、压力报警值、峰值、谷值等多种参数,也可通过RS485总线功能实现网络、数字信号传输以及变送器参数远程设定和调校。更便于现场整体控制,高精度智能控制器可用于校准普通压力变送器、压力表等,让自动化过程测量控制与计量为一体,让自动化生产过程测量有标准和有据可依。智能数显差压变送控制器广泛应用于石油、化工、冶金、电力、水文航船及造船行业、发电厂、核电站、蒸汽热能交换领域、各种实验室设备和机械设备等工业过程现场的压力测量和控制中。
二、特点
◆100标准仪表安装
◆4位双排LED数码管显示,无视值误差.
◆四路路控制点继电器输出220V1A(可选)
◆4~20mA、0-10v等标准信号输出(可选)
◆RS485通讯(可选)
◆四路控制点现场设定
◆谷值、峰值显示
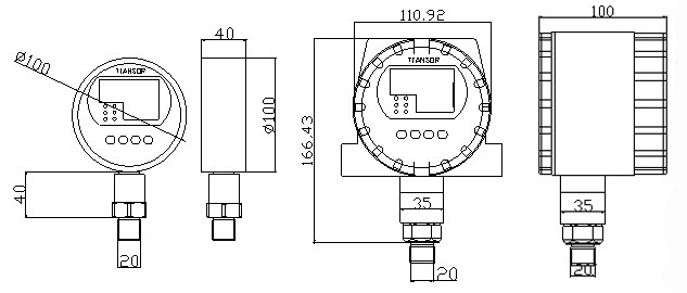
三、外形尺寸
 版权所有:江苏省苏科仪表有限公司       技术支持│易品网络
温度仪表事业部   压力仪表事业部   流量仪表事业部  校验仪表事业部   显示仪表事业部   变送器仪表事业部   电线电缆事业部